Автоматический сифон для ванны является примером практичности, а его применение дает возможность получить максимально комфортные условия.Сантехника представляет собой неотъемлемую часть каждой квартиры, поскольку без ее использования представить существование практически невозможно. Любое сантехническое устройство в обязательном порядке подлежит присоединению к канализационной системе.
- Конструкция и характеристика изделий
- Установка автоматического сифона своими руками
- Как выбрать сифон для ванной: преимущества и недостатки
- Заключение по теме
- Видео инструкция


Как правило, решить эту задачу можно при помощи сифона, который устанавливается непосредственно между сливом и канализацией. Аналогичные устройства дают возможность качественно и эффективно обеспечить отвод воды, а их установка не занимает много времени. При этом даже среди подобных устройств есть варианты, позволяющие универсализировать обиход и сделать пребывание душе поистине незабываемым.
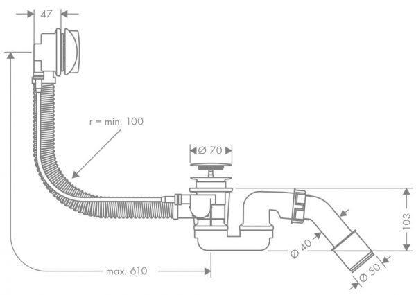
Конструкция и характеристика изделий
Сифон представляет собой один из наиболее важных элементов системы отвода воды. Его использование не дает возможность канализационным испарениям проникать внутрь помещения, но при этом позволяет жидкости свободно стекать в трубы. Конструкция современных сифонов практически идентична и заключается в использовании обычной гофрированной трубы, оборудованной специальным клапаном, обеспечивающим открытие и закрытие отвода воды.


Однако существуют некоторые, более модернизированные и дополненные устройства, обладающие повышенной эффективностью и обеспечивающие безопасность при использовании сантехники. Автоматический сифон для ванной является именно таким изделием, а особенности его конструкции будут рассмотрены далее.
Сегодня на прилавках магазинов представлено несколько разновидностей аналогичных устройств. Все они имеют различный принцип функционирования и отличаются свой стоимостью. При этом ценовой сегмент напрямую зависит от страны-производителя и материала, из которого изготовлено изделие. В свою очередь, по принципу действия сифоны для ванной могут быть представлены в следующих видах:
- с системой «клик-клак»;
- с поворотным рычагом.
Приведенные выше системы относятся к категории автоматов, поскольку оснащены функцией отвода воды, которая активизируется в зависимости от количества жидкости, попавшей в ванную. Происходит это благодаря специальному клапану, который в момент перегрузки автоматически спускает излишки жидкости в канализацию. Благодаря этому не нужно самостоятельно контролировать объем воды, поступившей в емкость, а процесс перелива становится невозможным.
- Сифон системы «клик-клак» имеет достаточно простую конструкцию и состоит из сливного отверстия и специальной ограничивающей заглушки, закрепленной при помощи специального кронштейна и пружины. При этом в момент нажатия на крышку активизируется запорный механизм, и она защелкивается. В свою очередь, повторное нажатие на заглушку приводит в действие пружину, и она поднимается, открывая слив жидкости в канализационную систему. Использование подобного принципа дает возможность избежать намокания рук или вещей, которое происходит при попытке открыть обыкновенный клапан.


Система «Клик-клак» - Сифон с поворотной рукояткой имеет принципиально иную конструкцию, состоящую из нескольких, последовательно связанных, элементов дополнительно соединенных при помощи троса. Такое строение дает возможность активизировать сливной механизм одним поворотом рычага, в результате которого происходит натяжение троса, подключенного к пробке, который постепенно опускается и перекрывает слив.


Сифон с поворотной рукояткой
В свою очередь, повторное нажатие на рукоятку открывает вход в трубу, благодаря работе пружинного механизма и небольшому послаблению натяжки троса. Подобная структура дает возможность не только избежать намокания рук и вещей, но и осуществлять контроль над скоростью сливания жидкости, что особенно удобно при использовании горячего крана.
Установка автоматического сифона своими руками
Процедура монтажа автоматических сифонов имеет несколько отличий по сравнению с установкой обыкновенных разновидностей устройств. В первую очередь речь идет о наличии некоторых дополнительных деталей, которые в обязательном порядке должны быть объединены друг с другом. Стоит также отметить, что никакая другая система не работает по такому принципу, даже пресловутый сифон полуавтомат. В целом процесс установки автоматического сифона выглядит следующим образом:
- Первоначально собирается главная часть сифона в независимость конструкции. Абсолютно неважно, трубчатый или бутылочный вид имеется в наличии, поскольку состоит он всего из нескольких деталей, которые легко соединяются между собой.


Собранный сифон - Монтаж системы «клик-клак» довольно прост, поскольку весь запорный автоматический механизм располагается между самим сифоном и сливом в ванной. Исходя из этого, весь процесс компоновки практически не отличается от монтажа обыкновенной системы.
- Установка автоматов с поворотным рычагом сперва подразумевает фиксацию самой рукоятки, которая монтируется непосредственно на выводящее отверстие. После этого от ее основания к гофре натягивается трос, а часть трубы служит при этом дополнительным элементом отводящей системы. Завершающим этапом служит монтаж механизма открытия-закрытия, фиксируемого на слив и присоединяемого к тросу.
- В самом конце установки производится монтаж элемента, оснащенного водяным затвором трубчатого или бутылочного типа. Как правило, он собирается заранее, а фиксируется лишь в самом конце. При этом в обязательном порядке необходимо контролировать плотность соединения всех узлов и стыков. В свою очередь, если возникают подозрения в недостаточной герметизации, то лучше всего дополнительно промазать их слоем силикона.
Как видно из приведенной выше структуры работ, собрать и установить автоматический сифон для ванной своими руками не так уж и сложно. При правильном проведении работ результат получится просто великолепным и даст возможность сделать пребывание в ванной комнате значительно комфортнее.
Как выбрать сифон для ванной: преимущества и недостатки
На современном рынке сифоны автоматической системы представлены из следующих материалов: металл и пластик. При этом каждый из них имеет свои положительные и негативные стороны.
- Пластиковые сифоны имеют множество достоинств, но и содержат некоторые недостатки.
- Самым большим преимуществом подобных изделий служит их относительно низкая стоимость, долговечность и практичность, а также невосприимчивость к агрессивной среде.


Пластиковый сифон - В свою очередь, к негативным качествам можно отнести хрупкость материала и его внешнюю простоту.
- Пластиковые соединения не настолько прочные и могут не обеспечить полной герметизации или же лопнуть в процессе эксплуатации.
- Металлические автоматические системы производят из меди, латуни или алюминия, что обеспечивает им не только повышенную прочность и стойкость к агрессивной среде, но и неимоверно привлекательный внешний вид.


Металлический сифон - Единственным минусом автоматических сифонов из металла является их высокая стоимость, которая многим не по карману.
Использование подобных изделий дает возможность предать ванной комнате непревзойденный внешний вид и лаконичность.
Заключение по теме
Установка автоматического сифона для ванной дает множество преимуществ, среди которых особую роль играет отсутствие необходимости контролировать набор воды и возможность избежать намокания одежды. При этом для обеспечения подобных положительных качеств конструкция изделий претерпела значительных изменений и дополнений.


В свою очередь, процесс монтажа таких устройств также стал значительно сложнее и занимает немало времени. Однако при правильном подключении и установке автоматический сифон способен не только сделать ванную комнату неимоверно комфортной и уютной, но и универсализировать ее внешний вид.